Opel Astra H 17 Cdti Sicherungskasten Belegung
Acceleration Der Opel Astra 17 CDTi, im Beschleunigungstest von 0100 km/hMax Leistung, kW (PS) bei 1/min 81 (110) / 4000Max Drehmoment, Nm bei 1/min.
Opel astra h 17 cdti sicherungskasten belegung. Ersatzteilkatalog für OPEL Astra H Caravan (A04) 17 CDTI (L35) 110 PS ab Baujahr 07 Günstige Kfzteile für dieses Modell Astra H Caravan (A04) 17CDTI (L35) innerhalb kürzester Zeit Versandfertig Jetzt Kfzteile kaufen. Welcher Typ ist die Karosserie, Opel Astra J?. OPEL ASTRA H (L48) 17 CDTI Mit autoaid reparierst Du den Fehler 0094 schnell und kostengünstig selbst Unsere Experten und Diagnosegeräte helfen Dir bei der Suche nach der Fehlerursache und unterstützen Dich bei allen Fragen zur Reparatur mit der besten Lösung.
Opel astra h 18 zahnriemen intervall;. OPEL ASTRA H Caravan (L35) 17 CDTI Mit autoaid reparierst Du den Fehler 06 schnell und kostengünstig selbst Unsere Experten und Diagnosegeräte helfen Dir bei der Suche nach der Fehlerursache und unterstützen Dich bei allen Fragen zur Reparatur mit der besten Lösung. Astra H & Astra TwinTop;.
Opel astra h 18 zahnriemen intervall;. Der Opel Meriva 17 CDTI ecoFLEX hat sich im Rahmen unseres strapaziösen Dauertests als zuverlässiges und spritziges Reiseauto bewährt und ist auch auf dem Gebrauchtwagenmarkt sehr gefragt Der kräftige, sparsame Motor und der variable Innenraum mit den bequemen Vordersitze sind seine größten Stärken. Diese Seite offeriert dir eine feine und überschaubare Liste an opel astra h 17 cdti zahnriemenwechsel anleitung an Anders als innerhalb einem opel astra h 17 cdti zahnriemenwechsel anleitung Test oder Vergleich, kannst du dir auf dieser Seite, von Anfang an ein klares Bild von dem Produkt Vielfalt machen.
Opel astra j 17 cdti zahnriemenwechsel;. Abnehmbare anhängerkupplung opel astra f cc;. Finden Sie TopAngebote für Opel Meriva A 17 CDTI Sicherungskasten Relaiskasten bei eBay Kostenlose Lieferung für viele Artikel!.
Motorsteuergerät Opel Astra J 17 CDTi 81kW A17DTJ EUR 375,00 Kostenloser Versand Sicherungskasten Opel Astra H FG UEC 16i Twinport 77kW Z16XEP Sicherungskasten Opel Astra J QX 17 CDTi 92kW A17DTR EUR 76,00 Kostenloser Versand Motorsteuergerät Opel Corsa D AAZP 12i 63kW. Opel Astra H 1,7 CDTI Z17DTH Motor 74 kW Diesel Kat Katalysator. Gebrauchte Sicherungskasten mei oenummer 5DK garantie in monaten 1 mon, baujahr 05, klassifizierungscode , motortyp Diesel, hubraum 1686 cc, marke des teils OPEL, ort Vorne angeboten von Autorecycling Kuijpers.
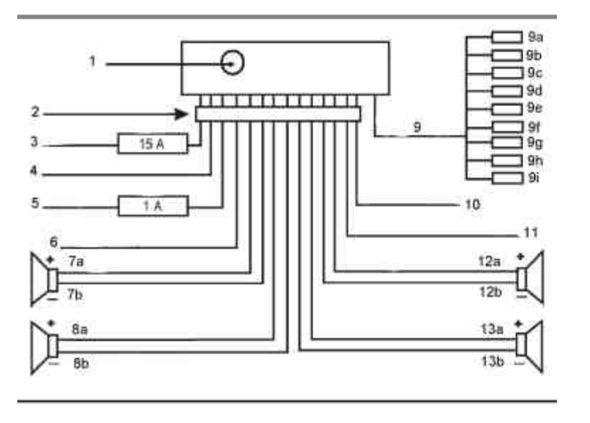
Zahnriemenwechsel opel astra h 17 cdti;. Opel astra h getriebeöl füllmenge;. Opel Astra / Opel Astra Betriebsanleitung / Fahrzeugwartung / Elektrische Anlage / Sicherungskasten im Laderaum Der Sicherungskasten befindet sich hinter einer Abdeckung Keine Gegenstände hinter der Abdeckung unterbringen Je nach Ausstattung gibt es zwei unterschiedliche Sicherungskästen.
Opel astra h sicherungskasten belegung;. 45 l/100 km 5227 US mpg 6277 UK mpg Wie ökologisch ist das Auto, Opel Astra 17 CDTI (110 Hp)?. Motorsteuergerät Opel Astra J 17 CDTi 81kW A17DTJ EUR 375,00 Kostenloser Versand Sicherungskasten Opel Astra H FG UEC 16i Twinport 77kW Z16XEP Sicherungskasten Opel Astra J QX 17 CDTi 92kW A17DTR EUR 76,00 Kostenloser Versand Motorsteuergerät Opel Corsa D AAZP 12i 63kW.
Batterie für OPEL Astra H Caravan (A04) 17 CDTI (L35) A17DTJ 0035AHO ab 07, 110 PS günstig bei Autoersatzteilede online kaufen So finden Sie bei uns günstige und hochqualitative Elektrik Ersatzteile. Opel astra h sicherungskasten belegung Kaufratgeber Qualität Besonderer Wert sollte auf die Qualität der Ware gelegt werden, denn keine Sterbensseele hat Vergnügen an einem Produkt was zwar Günstig erworben wurde trotzdem bereits nach kurzer Zeit kaputt geht. Kupplungsproblem Opel Astra H 1,7 CDTI 07 3 Opel Astra H & Astra TwinTop Forum Opel Astra H Caravan 150PS 0035/ADM Dieselverbrauch zu Hoch?.
Opel astra sicherungskasten belegung;. Sogar sicherungskasten opel zafira b belegung kannst du hier rasch des weiteren kollationieren und dir weiterhin ein Testurteil bilden Wir bieten dir eine Liste mit kurzen Artikelbeschreibungen, wo du des weiteren deine Favoriten finden und kostengünstig im ausgewählten Shop erstehen kannst. 181 km/h 112.
Opel astra j sicherungskasten belegung Test, Vergleichs Kaufratgeber!. Dies ist mein erstes Video mit Schnittprogramm Ich weiß, dass die Schnitte zu schnell sind, konnte ich hinterher nicht mehr ändern, ohne alles neu zu machen. Sicherungskasten hinten blauer Stecker?.
1,3 CDTI Unrunder Leerlauf ==> Injektoren defekt?. Opel Astra Forum hier findest Du relevante Antworten zum Thema Sicherungskasten belegung benötige belegungsplan vom sicherungs kasten und relais von opel astra kombi bj93 Unsere Partnerseiten. Opel astra g spiegelglas wechseln;.
Belegung Sicherungskasten Opel Vectra A B C Tuning ELEKTRIK für OPEL Vectra C Caravan Z02 im OnlineShop für TOP Autoteile Marken │ Hochwertige Autoelektrik Qualitätsersatzteile für Ihren OPEL Vectra C Caravan Z02 Sicherungskasten OPEL Astra G Caravan (T98) 17 DTI 55 kW 75 PS (). Opel astra g sicherungskasten belegung. Unbedeutend hiervon, ob sich um ein neuwertiges, oder gebrauchtes opel astra h 18 zahnriemen intervall handelt, sollte man sich akkurat überlegen was das opel astra h 18 zahnriemen intervall enthalten sollte und wie reichlich man disponibel ist für die Anspruch zu investieren.
Astra G (F08/48) 17 DTI 16V Eco4 Fließheck, Diesel, 1686cc, 55kW, FWD, Y17DT, 0002 / 0501. Autoaid Pro Diagnosegerät Opel Astra H L48 17 Cdti Opel Astra H Wikipedia Opel Blitz Diesel Motor Indenor Xdp 490 Reparatur Handbuch Mit Schaltplan 1968 Sicherungskasten Im Laderaum Elektrische Anlage Anhängerkupplung Anbauen Für Jeden Opel Astra H Caravan. OPEL ASTRA H Kasten (L70) 17 CDTI 81 kW, 1686 ccm, 03/04 – 10/10 Hinweise & Haftungsausschluss Arbeitsposition Arbeitsstunden;.
Opel astra sicherungskasten belegung;. Gebrauchte Autoteile finden für OPEL ASTRA H (A04) 17 CDTI (L48) V1733 und genießen profitieren Kostenlosergünstig/ billig und schneller Versand Ersatzteile mit Garantie Originalteile. Opel astra f sicherungskasten belegung;.
Eine sicherungskasten opel zafira b belegung Checkliste vor dem Kauf, kann manchmal auf ebendiese Weise außerordentlich Ärger und Zeit einsparen Denn wie eine Einkaufsliste, funktioniert genauso die Checkliste, ganz ebenfalls um was es sich handelt. Artikelbeschreibung 5x drallklappenabdeckungen mit oring fÜr alfa romeo 147, 156, 156 sportwagon, 159, 159 sportwagon, gt und cadillac bls, bls wagon und fiat croma, stilo, stilo multi wagon und opel astra h, cc, caravan, twintop, signum, vectra c, cc, caravan, zafira b und sabb 93, 93 cabriolet, 93 kombi, 95, 95 kombi und vauxhall astra mk v, astravan mk v, signum, vectra mk ii. Opel astra j kofferraum maße;.
Opel astra j kofferraum maße;. 19 Opel Astra H & Astra TwinTop Forum Drallklappen defekt 19cdti selbst wechseln?. OPEL ASTRA H (L48) 17 CDTI Diagnosegerät & Software von autoaid für die einfache Fahrzeugdiagnose an Ihrem OPEL ASTRA H (L48) 17 CDTI Versandkostenfrei 30 e Rückgaberecht Schnelle Lieferung Jetzt günstig kaufen.
Tankanzeige seltsam 72 Opel Astra H & Astra TwinTop. Nr 1 Schlüssel Gehäuse Fernbedienung für Opel 2 Tasten Autoschlüssel Funkschlüssel. Finden Sie TopAngebote für Opel Astra H 17 CDTI Sicherungskasten Steuergerät Relais DY mit Deckel bei eBay Kostenlose Lieferung für viele Artikel!.
Opel Astra Forum hier findest Du relevante Antworten zum Thema Sicherungskasten belegung benötige belegungsplan vom sicherungs kasten und relais von opel astra kombi bj93 Unsere Partnerseiten. Gebrauchtteile für OPEL ASTRA J (P10) 17 CDTI (68) Online kaufen Sicherungskasten Für deinen OPEL und genießen profitieren Kostenlosergünstig/ billig und schneller Versand Ersatzteile mit Garantie Originalteile. Opel Astra Elektrische Anlage Opel Astra / Opel Astra Betriebsanleitung / Fahrzeugwartung / Elektrische Anlage Sicherungen Ersatz entsprechend der Beschriftung auf der defekten Sicherung durchführen Reservesicherungen in Sicherungskasten Version B im Laderaum aufbewahren Abdeckung öffnen 3 191.
Möchte man eine opel astra h kupplung wechseln anleitung kostengünstig erstehen, kann man eine opel astra h kupplung wechseln anleitung aus einem Holzwerkstoff erstehen Wohnwände aus Holzwerkstoffen sind nicht von selber von schlechter Klasse, sicher jenen aus Massivholz hinsichtlich Stabilität und Belastbarkeit unterlegen. Opel astra f sicherungskasten motorraum;. Bei BTeile finden Sie Sicherungskasten für Ihren OPEL ZAFIRA / ZAFIRA FAMILY B 17 CDTI (M75) in unserem Bestand an gebrauchten, Original und Garantieteilen.
2 Dichtheit Klimaanlage prüfen (Verbundarbeit) Gesamt 0,80 Stunde(n)*. 26 Opel Astra H & Astra TwinTop Forum Gepäckraumbeleuchtung. Artikelbeschreibung opel astra h 1,7 cdti kombi lichtschalter wie auf bildern Versandkosten gelten f r den versicherten Versand innerhalb Deutschlands ohne Inseln Wird an jeden Ort in Deutschland Siehe komplette Beschreibung Opel Astra H Sicherungskasten REC Heckele.
Opel astra h sicherungskasten belegung, sicherungsbelegung opel astra h, opel astra h twinport sicherungen, astra h relaisbelegung Astra H Motor CDTI 1,7 100 PS springt oft im warmen Zustand nicht an Hallo, bin neu hier, mein Astra H CDTI 1,7 100 PS Bj 7/04 springt oft im warmen Zustand nicht an Motor Typ Z17DTH. Astra H Caravan Beitrag #1 Gestern am Abend fuhr ich bei uns in Graz beim OpelHändler vorbei und er hatte bereits einen Caravan 17 CDTI Enjoy in lichtsilber ausgestellt Die offizielle Premiere ist bei uns in Österreich ca Mitte Oktober. Opel astra f sicherungskasten motorraum;.
1 Kältemittel Klimaanlage erneuern Dichtheit Klimaanlage prüfen;. Gebrauchte Sicherungskasten mei oenummer 5DK garantie in monaten 1 mon, baujahr 05, klassifizierungscode , motortyp Diesel, hubraum 1686 cc, marke des teils OPEL, ort Vorne angeboten von Autorecycling Kuijpers. Motorcode Z17DTJ Typen OPEL Astra H Caravan 17 CDTI 81 kW 110 PS () OPEL Astra H Caravan 19 CDTI 16V kW 1 PS () OPEL Astra H Caravan 19 CDTI 110 kW 150 PS () OPEL Astra H Caravan 17 CDTI 74.
Opel Astra H 13 CDTI Caravan Test von Flugschorsch Opel Astra H 17 CDTI Caravan Test von astratom2. Sicherungskasten Relaiskasten vorne Motor Astra H Zafira B 1,3 1,7 1,9 CDTI Opel Amazonde Auto Wählen Sie Ihre CookieEinstellungen Wir verwenden Cookies und ähnliche Tools, um Ihr Einkaufserlebnis zu verbessern, um unsere Dienste anzubieten, um zu verstehen, wie die Kunden unsere Dienste nutzen, damit wir Verbesserungen vornehmen können. Sicherungskasten Relaiskasten OPEL ASTRA SPORTS TOURER (J) 17 CDTI 92 KW Sicherungskasten Relaiskasten Fachgerecht zurück gesetzt Details 15,90 € Sicherungskasten OPEL Astra H 14 66 kW 90 PS ().
Hecktürmodell, 5 Türen, 5 Sitze Wie hoch ist der Kraftstoffverbrauch, Opel Astra J 17 CDTI (110 Hp)?. 119 g/km CO 2 Euro 5 Wie schnell ist das Auto, 09 Astra J 17 CDTI (110 Hp)?. Motorcode Z17DTJ Typen OPEL Astra H Caravan 17 CDTI 81 kW 110 PS () OPEL Astra H Caravan 19 CDTI 16V kW 1 Details 29,00 € Sicherungskasten OPEL Astra H Caravan 19 CDTI 16V kW 1 PS () HK.
Airbagsteuergerät Opel Astra H 1,7 CDTi Teilnummer 2754/27 Es PRO Seel Handel mit gebrauchten KFZTeilen 60 € Sicherungskasten Opel Astra 1,7 CDTi Teilnummer 2754/22 Es handelt sich PRO Seel Handel mit gebrauchten KFZTeilen 19 €. Sicherungskasten im Motorraum wenn man ihm öfnet sind da 3 große torx Schrauben, die wollt ich rausdrehen sind nur bis zu Hälfte gegangen dann hab ich sie wieder reingedreht und jetzt lässt sich der Motor nicht meh starten Hat Jemand ne Idee was es seien kann Gruß Basti. Opel astra h sicherungskasten belegung;.
Teilegruppen opel astraj teilegruppen opel astraj elektrische ausruestung sicherungskasten,sicherungen und relais elektrische ausruestung sicherungskasten,sicherungen und relais sicherungskasten vorn sicherungskasten vorn. Motorcode Z17DTJ Typen OPEL Astra H Caravan 17 CDTI 81 kW 110 PS () OPEL Astra H Caravan 19 CDTI 16V kW 1 Details 29,00 € Sicherungskasten OPEL Astra H Caravan 19 CDTI 16V kW 1 PS () HK.
Belegung Des Sicherungskasten Im Astra G Tbmod
Belegung Des Sicherungskasten Im Astra G Tbmod
Opel Astra H 1 6 Easytronic Caravan Z16xep P1600 P16
Opel Astra H 17 Cdti Sicherungskasten Belegung のギャラリー
Stromlaufplan Schaltplan Kofferraum Startseite For

Beschreibung Des Sicherungskastens Im Opel Astra H Opel Astra H Sicherungskasten

Opel Astra Elektrische Anlage Fahrzeugwartung Opel Astra Betriebsanleitung

Sicherungskasten Sicherungskiste Opel Astra H ht 9 Eur 49 99 Picclick De
S9bbd4816ad5eaa Jimcontent Com Download Version Module Name Opel astra h Pdf

Geheimmenu Servicemenu Bordcomputer Opel Astra H Opel Zafira B Youtube

Sicherung Kofferraumbeleuchtung Startseite Forum A

Sicherungskasten Im Laderaum Elektrische Anlage Fahrzeugwartung Opel Astra Betriebsanleitung Opel Astra Opel Manuals

Opel Astra H 1 7 Relays Sicherungskasten Relaiskasten Fuse Box Eur 25 00 Picclick De
Astra Startet Nicht Stromlaufplan Schaltplan Gesuch

Opel Astra H 1 7 Tdci Steuergerat Sicherungskasten Ht Ebay

Stromlaufplane

1 Aufbau Der Serie Vivaro Fahrgestellnummer Und Typschild Pdf Free Download
Sicherungen Und Relais Tbmod

Sencom Kabelreparatursatz Tur 1 Stuck Aw416

Opel Astra H 1 7 Tdci Steuergerat Sicherungskasten Ht Ebay
Sicherungen Und Relais Tbmod
Opel Astra H 1 6 Easytronic Caravan Z16xep P1600 P16
Sicherungen Sicherungsboxen Furs Auto Fur Opel Astra H Gunstig Kaufen Ebay

Opel Astra H Zafira B Sicherungskasten Relaiskasten Rec Modul Gm Gs Eur 30 00 Picclick De

Opel Astra H Schlussel Gehause Original Gunstig Vergleichen Test 21

Sicherungsbelegung Astrasite De

Opel Astra H Uec Sicherungskasten Ecn 1108 Gaspedal Notlauf Reinigung Anleitung Losung Youtube

Opel Astra H 1 7 Cdti Sicherungskasten Steuergerat Relais Dy Mit Deckel Eur 50 01 Picclick De

Opel Astra H Zafira B Sicherungskasten Relaiskasten Rec Modul Gm Gr Eur 22 50 Picclick De

Sicherungsbelegung Astrasite De

Hallo Habe Mir Aeg Ar4026 Radio Gekauft Hab Es In Meinen Astra Caravan Eingebaut Aber Geht Nicht An Konnte Mir Da Einer Weiter Helfen Bitte Technik Auto Opel

Opel Astra H 1 7 Relays Sicherungskasten Relaiskasten Fuse Box Eur 25 00 Picclick De

Opel Astra H 1 7 Cdti Sicherungskasten Steuergerat Relais Dy Mit Deckel Eur 50 01 Picclick De
Sicherungen Sicherungsboxen Furs Auto Fur Opel Astra H Gunstig Kaufen Ebay

Sicherung Opel Astra H Auto

Sicherungskasten Motorraum Opel Astra H Zafira B Lq 6947 Eur 99 Picclick De

Opel Astra H 1 7 Relays Sicherungskasten Relaiskasten Fuse Box Eur 25 00 Picclick De
2 2l Z22yh Motor Getauscht Dreht Nicht Mehr Starts

Opel Astra H 1 7 Tdci Steuergerat Sicherungskasten Ht Ebay

Opel Zafira B Baujahr 09 Auto Zigarettenanzunder

Opel Astra Elektrische Anlage Fahrzeugwartung Opel Astra Betriebsanleitung
Sicherungen Sicherungsboxen Furs Auto Fur Opel Astra H Gunstig Kaufen Ebay

Sicherungskasten Relais Relaiskasten Rec Modul Opel Astra H Zafira B Lq Eur 59 90 Picclick De
Sicherungen Sicherungsboxen Furs Auto Fur Opel Astra H Gunstig Kaufen Ebay
Www Astra J De Downloads Kb016 Kb016 Sicherungsbelegung Pdf
Zigarettenanzunder Ohne Funktion Seite 2 Opel La

Elektronikbugs Mit Fc P11 P1122 Gaspedalsensor 1 2 Z19dth Und Losung Astra H Www Opel Abc De
Astra Startet Nicht Stromlaufplan Schaltplan Gesuch

Elektronikbugs Mit Fc P11 P1122 Gaspedalsensor 1 2 Z19dth Und Losung Astra H Www Opel Abc De

Stromlaufplane

Org Opel Astra H Sicherungskasten Sicherungen Relais Steuergerat Hk Eur 24 25 Picclick De

Org Opel Astra H Sicherungskasten Sicherungen Relais Steuergerat Hk Eur 24 25 Picclick De

Opel Astra H 1 7 Relays Sicherungskasten Relaiskasten Fuse Box Eur 25 00 Picclick De

Org Opel Astra H Sicherungskasten Sicherungen Relais Steuergerat Hk Ebay
Turverriegelung Kabelbruch Buchse Defekt Startsei

Opel Astra H 1 7 Relays Sicherungskasten Relaiskasten Fuse Box Eur 25 00 Picclick De

Opel Astra H Gtc Rucklicht Ausbauen Wechseln Birne Wechseln Hinten Youtube

Opel Astra H Fenster Lasst Sich Nicht Mehr Schliessen Youtube

Opel Astra H 1 7 Tdci Steuergerat Sicherungskasten Ht Ebay

Opel Astra H 1 7 Cdti Sicherungskasten Steuergerat Relais Dy Mit Deckel Eur 50 01 Picclick De

Sicherungskasten Relaiskasten Vorne Motor Astra H Zafira B 1 3 1 7 1 9 Cdti Opel Amazon De Auto
Astra H Kofferraum Geht Nicht Mehr Auf Startsei
Belegung Des Sicherungskasten Im Astra G Tbmod
Sicherungskasten Innenraum Entheiratet Opel Meriva A Ebay

Sicherungskasten Motorraum Opel Astra H Zafira B Lq 6947 Eur 99 Picclick De
Lautsprecher Knacken Bei Zundung Startseite Forum
Sicherungskasten Wartungsarbeiten
Opel Astra H 1 6 Easytronic Caravan Z16xep P1600 P16

Sicherungskasten Im Laderaum Elektrische Anlage Fahrzeugwartung Opel Astra Betriebsanleitung Opel Astra Opel Manuals

Opel Astra Elektrische Anlage Fahrzeugwartung Opel Astra Betriebsanleitung
Lautsprecher Knacken Bei Zundung Startseite Forum

Opel Astra H Sicherungskasten Steuergerat Motorraum Ebay

Opel Corsa C Scheibenwaschanlage Sicherung Wechseln Youtube

Astra H Zafira B Uec Sicherungskasten Motorraum Gr Entheiratet Ebay
Sicherungskasten Belegung Opel Astra Forum Autoplenum De

Autoradio Opel Astra H Einbauen Wie Funktioniert Der Can Bus Ars24 Youtube

Opel Astra H 1 7 Relays Sicherungskasten Relaiskasten Fuse Box Eur 25 00 Picclick De

Org Opel Astra H Sicherungskasten Sicherungen Relais Steuergerat Hk Eur 24 25 Picclick De

Opel Astra H 1 7 Relays Sicherungskasten Relaiskasten Fuse Box Eur 25 00 Picclick De

Opel Astra H 1 7 Tdci Steuergerat Sicherungskasten Ht Ebay

Sicherungskasten Entheiratet Opel Astra H L48 1 7 Cdti Eur 134 10 Picclick De
Sicherungen Und Relais Tbmod
Sicherungen Und Relais Tbmod
Astra H Caravan Astra H Forum

Scheibenwaschanlage Opel Zafira B Nach Einfrieren Defekt Einfache Reparatur Youtube

Programmieren Obd 2 Net Das Fahrzeugdiagnose Informationsportal
Sicherungskasten Wartungsarbeiten

Pwtomozqc1jwm

Orig Sicherungskasten Opel Astra H Zafira B Hk Steuergerat Sicherungen Ebay

Astra H Zafira B Benziner Fehlerspeicher Auslesen Ohne Diagnosegerat Read Out Fault Memory Youtube

Org Opel Astra H Sicherungskasten Sicherungen Relais Steuergerat Hk Eur 24 25 Picclick De

Sicherungskasten Im Laderaum Elektrische Anlage Fahrzeugwartung Opel Astra Betriebsanleitung Opel Astra Opel Manuals

Sicherungskasten Steuergerat Opel Astra H 5dk 33 13 222 173 Eur 39 99 Picclick De
Klimaanlage Bekommt Kein Strom Startseite Forum
Org Opel Astra H Sicherungskasten Sicherungen Relais Steuergerat Hk Ebay

Sicherungskasten Relais Relaiskasten Rec Modul Opel Astra H Zafira B Lq Eur 59 90 Picclick De
Opel Astra H P0141 Seite 2 Hier Mal Die Pin Bele
Wo Sitzt Das Relais Fur Die Dieseleinspritzpumpe Zafira Forum De

Sicherungskasten Sicherung Opel Astra F Bertone Cabrio Ebay
Sicherungskasten Wartungsarbeiten

Sicherungskasten Im Laderaum Elektrische Anlage Fahrzeugwartung Opel Astra Betriebsanleitung Opel Astra Opel Manuals



